D41软密封蝶阀用途:
主要作用于食品、医药、化工、石油、电力、;台金、城建、轻纺、造纸等给排水、气体管道上作调节流量和截流介质的作用。
D41软密封蝶阀具体型号代表:
阀门类型代号:“D”表示蝶阀
驱动形式代号:“”表示手动
连接形式代号:“4”表示法兰式
结构形式代号:“1”表示中心垂直板式
密封面材料代号:“X”表示软密封 “F”表示氟橡胶
D41软密封蝶阀零部件材料:
|
零件名称 |
材料
|
|
阀体
|
球墨铸铁、铸钢、合金钢、不锈钢
|
|
蝶板
|
灰铸铁、球墨铸钢、铸钢、不锈钢及特殊材料
|
|
密封圈
|
聚四氟乙烯
|
|
阀杆
|
2Cr13、不锈钢
|
|
填料
|
0型圈、柔性石墨
|
D41软密封蝶阀技术参数:
|
公称通径 |
DNmm
|
50~2000
|
||
|
公称压力
|
PNMPa
|
0.6
|
1.O
|
1.6
|
|
试验压力PsMPa
|
强度试验
|
0.9
|
1.5
|
2.4
|
|
密封试验
|
O.66
|
1.1
|
1.76
|
|
|
适用介质
|
空气、水、污水、蒸气、煤气、油品等
|
|||
|
驱动形式
|
手动
|
|||
D41软密封蝶阀执行标准:
|
制造标准 |
GB/T12238-1989;lS0 10631-1994;BS EN593-1998
|
|
法兰标准
|
GB/T17241.6-1998:IS0 7005-2;BSEN 1092-2002
|
|
结构长度标准
|
GB/T1 2221-1989:lS0 5752-1988;BS EN558-1
|
|
检验标准
|
GB/T13927-1992;JB/T9092-1999;S0 5028-1993;BS 6755-l-1986
|
D41软密封蝶阀密封材料选用和适用温度:
|
材料品种 |
氯丁橡胶
|
丁腈橡胶
|
乙丙橡胶
|
聚四氟乙烯
|
硅橡胶
|
氟橡胶
|
|
代号
|
×或0rJ
|
XA或orJA
|
XB或orJB
|
xC、JC或0rF
|
XD或orJD
|
×E或orJE
|
|
耐最高温度
|
82℃
|
93℃
|
150℃
|
232℃
|
250℃
|
204℃
|
|
耐最低温度
|
-40℃
|
-40℃
|
-40℃
|
-268℃
|
-70℃
|
-23℃
|
|
适用工作温度
|
≤65℃
|
≤80℃
|
≤120℃
|
≤200℃
|
≤200℃
|
≤180
|
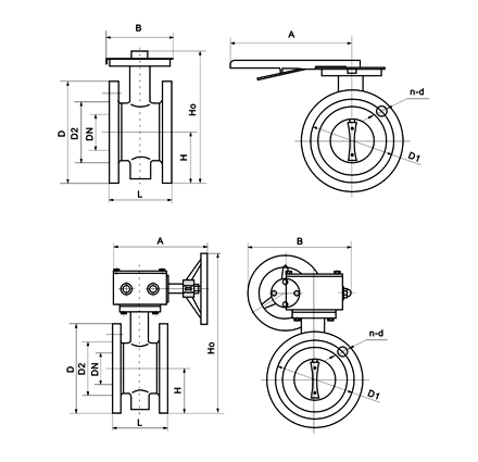
D41软密封蝶阀主要连接尺寸:
|
公称通径 |
结构长度
|
外形尺寸
(参考值) |
连接尺寸(标准值)
|
参考重量
(kg) |
|||||||||||||||
|
0.6MPa
|
1.0MPa
|
1.6MPa
|
|||||||||||||||||
|
毫米
|
英寸
|
L
|
H
|
H0
|
A
|
B
|
D
|
D1
|
D2
|
n-d
|
D
|
D1
|
D2
|
n-d
|
D
|
D1
|
D2
|
n-d
|
|
|
50
|
2
|
108
|
82.5
|
238
|
270
|
65
|
140
|
110
|
88
|
4-14
|
165
|
125
|
99
|
4-18
|
165
|
125
|
99
|
4-18
|
8.5
|
|
65
|
21/2
|
112
|
92.5
|
258
|
270
|
65
|
160
|
130
|
108
|
4-14
|
185
|
145
|
118
|
4-18
|
185
|
145
|
118
|
4-18
|
9.5
|
|
80
|
3
|
114
|
100
|
278
|
270
|
65
|
190
|
150
|
124
|
4-18
|
200
|
160
|
132
|
8-18
|
200
|
160
|
132
|
8-18
|
11
|
|
100
|
4
|
127
|
110
|
293
|
270
|
65
|
210
|
170
|
144
|
4-18
|
220
|
180
|
156
|
8-18
|
220
|
180
|
156
|
8-18
|
15
|
|
125
|
5
|
140
|
125
|
309
|
310
|
65
|
240
|
200
|
174
|
8-18
|
250
|
210
|
184
|
8-18
|
250
|
210
|
184
|
8-18
|
21
|
|
150
|
6
|
140
|
142.5
|
336
|
310
|
65
|
265
|
225
|
199
|
8-18
|
285
|
240
|
211
|
8-22
|
285
|
240
|
211
|
8-22
|
24
|
D41软密封蝶阀特点:
1、设计新颖、合理,结构独特,重量轻,启闭迅速。
2、操力矩小,操作方便,省力灵巧。
3、可以任何位置安装、维修方便。
4、密封件可以更换,密封性能可靠达到双向密封零泄漏。
5、密封材料耐老化、耐腐蚀,使用寿命长等特点。
D41软密封蝶阀订货须知:
1.用户已确定阀门类型和型号(尤其是非标准型号)时,用户应正确说明其型号的含义和要求。
2.用户应根据样本所列产品型号进行订货,如对产品项目有特别要求,请在订单中说明:
1)结构长度2)法兰标准3)阀门的结构形式:如通道全通径或缩径、体盖连接形式4)阀门内件及对材料的其他要求5)压力试验、检验标准、标识及其他要求
3.本公司可以根据用户的特定要求配置电动,气动或涡轮驱动装置。
4.本公司生产的各类阀门可以满足订单规定的各项要求,产品出厂前均逐一按要求的相关标准进行严格的检验和试验。






