1326型压力变送器采用进口硅压阻式隔离膜充油芯体作为信号测量元件,被测介质压力经过变送器上的散热结构传递到传感器,位于不锈钢壳体内的信号处理电路,将传感器信号转换为标准输出信号。整个产品经过了元器件、半成品及成品的严格测试及老化筛选,性能稳定可靠。
产品特点
测量范围广,全不锈钢结构,压力接口形式多样,防护等级IP65;
输出信号形式多样,现场可调;
应用
对316L不锈钢无腐蚀的气体、液体压力测量。
应用于石油、化工、冶金、电力、水文等工业过程现场。
船舶及航空工业领域。
液压及气动控制系统。
性能参数
| 量程范围: | -0.1~0或0~0.01MPa或0~100MPa | |||||||||||||||||
| 允许过载: | ≤额定量程的1.5倍 | |||||||||||||||||
| 压力类型: | 表压、绝压、密封参考压型 | |||||||||||||||||
| 精确度: | ±0.25%(典型)±0.5%(最大) | |||||||||||||||||
| 长期稳定性: | ±0.1%F.S/年(典型) ±0.2%F.S/年(最大) | |||||||||||||||||
| 零点温度漂移: | ±0.03%F.S/℃(≦100KPa) ±0.02%F.S/℃(>100KPa) | |||||||||||||||||
| 满度温度漂移: | ±0.03%F.S/℃(≦100KPa) ±0.02%F.S/℃(>100KPa) | |||||||||||||||||
| 工作温度: | -20℃~80℃ | |||||||||||||||||
| 贮存温度: | -40℃~120℃ | |||||||||||||||||
| 供电电源: | 15~30VDC(本安型经安全栅供电) | |||||||||||||||||
| 输出信号: | 4~20mA 0~10/20mA 0/1~5VDC | |||||||||||||||||
| 压力接口: | 卡箍式法兰接口(φ50.4) | |||||||||||||||||
| 外壳材质: | 304不锈钢 | |||||||||||||||||
| 膜片材质: | 316L不锈钢 | |||||||||||||||||
| O型密封圈: | 氟橡胶 | |||||||||||||||||
| 电缆: | 聚乙烯 | |||||||||||||||||
| 绝缘电阻: | 100MΩ 100VDC | |||||||||||||||||
| 外壳防护等级: | IP65 | |||||||||||||||||
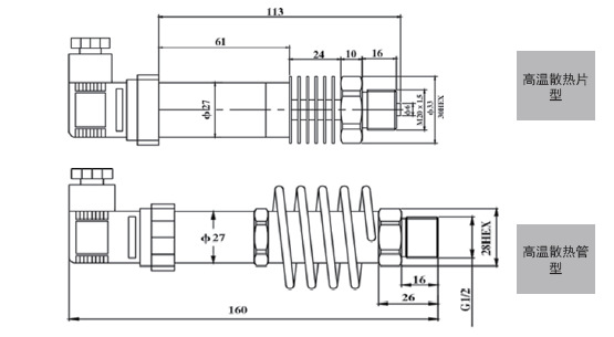
外形结构(单位:mm)

选型代码





